求购信息

  • 12121

  • 4.11

 

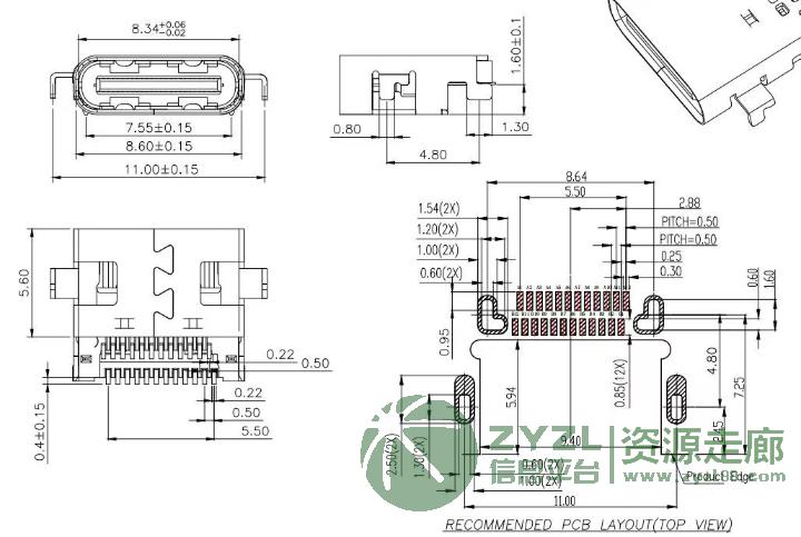
寻TYPEC沉板1.6连接器母座

发布时间:2026-01-27   截止时间:2026-01-30

收货地区:广东省-深圳市

行业分类:电子元器件-连接器-插头/插座

24P双排双贴,有优势厂家联系

 

发布
采购
< 点击左边,关注本站《资源走廊》微信公众号