求购信息

  • 12121

  • 4.11

 

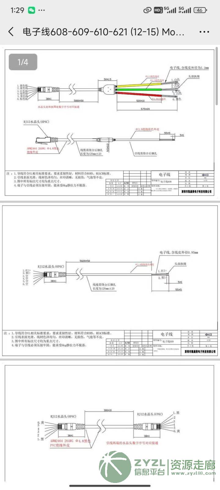
找图中的这款线材

发布时间:2025-12-29   截止时间:2026-01-02

收货地区:广东省-深圳市

行业分类:数码、电脑-数码配件-其他数码线材

如图纸

 

发布
采购
< 点击左边,关注本站《资源走廊》微信公众号