求购信息

  • 12121

  • 4.11

 

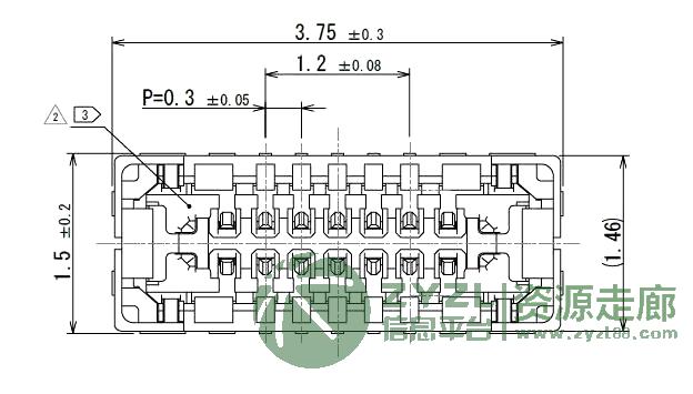
求购图纸上的这款连接器

发布时间:2025-07-24   截止时间:2025-07-28

收货地区:广东省-深圳市

行业分类:电子元器件-连接器-插头/插座

如图纸

 

发布
采购
< 点击左边,关注本站《资源走廊》微信公众号