-
采购图中3款数据线
如图谁家的
广东省-深圳市 2025-12-01
-
寻02035/3.7V 400MAH电池,出印度
带单MOS2A保护板/26#/线长30MM/红线正极,黑线负极*剥皮浸锡2mm/带空海运+msds+un38.3报告
广东省-深圳市 2025-12-01
-
找802050/3.7V/800MAH/电池
带单MOS2.5A保护板/26号线长30mm/线尾上锡2mm/带空海运+msds+un38.3报告要过3C
广东省-深圳市 2025-12-01
-
有没有做type-c有线耳机的老板
有的联系
广东省-深圳市 2025-12-01
-
采购图中的蓝牙耳机
如图几款谁做
浙江省-金华市 2025-12-01
-
谁做EDR变压器
广东省-深圳市 2025-12-01
-
寻求图中18V1A电源适配器
要1A的
广东省-深圳市 2025-12-01
-
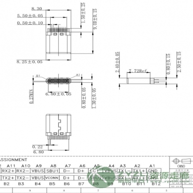
找图纸上的连接器
广东省-深圳市 2025-12-01
-
这款9P贴板公头有做的联系[抱拳]
如图纸
广东省-深圳市 2025-12-01
-
求购3600套图中的智能手表
广东省-深圳市 2025-12-01
-
找图中几款智能手表
如图每款3.6K
广东省-深圳市 2025-12-01
-
找有UL认证的排插
外观,品牌和地域不限,但是一定要有UL认证配我们设备用的,电源+插头+插座整套
广东省-深圳市 2025-12-01
-
找图中充电宝的充电线
如图要一样的
广东省-深圳市 2025-12-01
-
产品需求: 同款或者类似款式,(超声波)面部脱毛仪。
广东省-深圳市 2025-12-01
-
找图中2款蓝牙耳机
广东省-深圳市 2025-12-01
-
找图中几款端子线和电源线
这几款线铜包铝谁家有优势的微信报价过来含税价电话勿扰
广东省-深圳市 2025-12-01
-
采购图中的2款蓝牙耳机
广东省-深圳市 2025-12-01
-
寻找蓝牙耳机代加工厂
需要蓝牙耳机成品加工每月都有货,接受内地加工厂,需要有成熟的人员和基本设备
广东省-东莞市 2025-12-01
-
找法属圭亚那物流
模具,1方左右,双清包税到门渠道
广东省-深圳市 2025-12-01
-
谁做图中的耳机外壳
广东省-深圳市 2025-12-01
-
寻图中的头戴式耳机
如图谁家有做
广东省-深圳市 2025-12-01
-
找类似外形的数据线
广东省-深圳市 2025-12-01
-
找图中模型的数据线
做1米2,2米,3米的~这个价格谁家能做?1.2米纯铜ATOC1.5ATOL1.7CTOC1.9CTOL2.62米纯铜ATOC2.2ATOL2.4CTOC
广东省-深圳市 2025-12-01
-
求购图中的蓝牙耳机
谁家有便宜的5万套中性包装礼品用
广东省-深圳市 2025-12-01
-
找1260112-9500到10000的铁锂电池
广东省-深圳市 2025-12-01
-
有做插件继电器的么,联系一下
要求看图,首单4万个
广东省-深圳市 2025-12-01
-
找视频儿童对讲机
有美国认证的联系
广东省-深圳市 2025-12-01
-
找头戴式电竞游戏耳机
100-200元左右,有中性包装盒的,出欧美的联系我一下
广东省-深圳市 2025-12-01
-
采购图中的这款直播支架
广东省-深圳市 2025-12-01
-
常平有做电子插件锡焊及手工加工的吗?
我有产品外发
广东省-东莞市 2025-12-01
-
做充电宝的请联系我 我在东莞塘厦
广东省-深圳市 2025-12-01
-
老板做这种Dc5525的90度母转公的吗?
如图
广东省-深圳市 2025-12-01
-
找到沙特专线,资深,安全,实力的物流
50件✘20.5kg,50件✘23.5Kg,2万盒电子烟,双清到门,深圳,宝安——沙特,利亚德市中心。正规专线货代公
广东省-深圳市 2025-12-01
-
谁家还在做消毒枪的联系
采购图中的消毒枪
广东省-深圳市 2025-12-01
-
图中的无线充谁家的?
广东省-深圳市 2025-12-01
-
找图中流光一拖三数据线
要求:材质纯铜,品质稳定,有优势的来,月5k左右,量不大,长期拿,合作稳定的联系
广东省-深圳市 2025-12-01
-
采购图中的挂耳蓝牙耳机
如图谁家的
广东省-深圳市 2025-12-01
-
找视频儿童对讲机
谁有最新版本的
广东省-深圳市 2025-12-01
-
找图中的硅胶和电池
如图主要找硅胶
广东省-深圳市 2025-12-01
-
采购图中的2小风扇
如图谁家有一样的或者接近的
广东省-深圳市 2025-12-01

