-
采购图中 17的充电器
如图40W
广东省-深圳市 2025-12-07
-
五金大件+自动线塑胶五金喷油
本公司拥有一条三涂三烤自动线可喷五金塑胶产品,另还有一条50米长,内宽1.5米的高温五金喷油线,烤漆一次
广东省-惠州市 2025-12-07
-
寻求美国海运敏感货如仿牌等靠谱物流
广东省-深圳市 2025-12-06
-
谁家做PVC贴纸
如图能做的联系,订单50W起
广东省-深圳市 2025-12-06
-
找图中的插头五金
如图价格优势联系,跑量
广东省-深圳市 2025-12-06
-
谁家做这种电池五金片
如图纸,能做的联系
广东省-深圳市 2025-12-06
-
求购图中的USB连接器
这款19.5长铁壳白胶哪位老板有生产,外壳脚要8.0间距的******
广东省-深圳市 2025-12-06
-
谁做这款小风扇的联系
如图手持小风扇
广东省-深圳市 2025-12-06
-
找图中这款加湿器+音响
如图价格样品确定就能打定金生产
广东省-深圳市 2025-12-06
-
找做3C类目的供应商
开拓坦桑尼亚3C市场!移动电源、头戴耳机、有线耳机、音响、耳机等供应商,价格有优势,品质适配本地使用环
广东省-深圳市 2025-12-06
-
寻求图中TYPE连接器
广东省-深圳市 2025-12-06
-
谁家做图中线控耳机
要一样的,谁家的?
广东省-深圳市 2025-12-06
-
那位老板有做这种显示屏的
广东省-深圳市 2025-12-06
-
采购图中的公母连接器
DIn.4pin.插头
广东省-深圳市 2025-12-06
-
谁家做这种包包的联系
装话筒的包包
广东省-深圳市 2025-12-06
-
求购图中的这款充电器
谁家的
广东省-深圳市 2025-12-06
-
求购图中的连接线
四芯线,是用来做信号屏蔽线,过电流1A,能做的直接电话联系
广东省-深圳市 2025-12-06
-
谁家有这款无线充
如图套料或者成品都行
广东省-深圳市 2025-12-06
-
这款嗽叭是谁提供的样品,现在订单确认了,需要2万个
如图
广东省-深圳市 2025-12-06
-
谁家做图中的耳机外壳
广东省-深圳市 2025-12-06
-
采购图中2款蓝牙耳机
TK直播找这两款,有的亲滴滴
广东省-深圳市 2025-12-06
-
谁家做这种五金支架的联系
广东省-深圳市 2025-12-06
-
谁家做芯片的,用在电子烟方案板上的
广东省-深圳市 2025-12-06
-
采购图中LED灯板
广东省-深圳市 2025-12-06
-
采购图中暖手宝的发热片源头厂家
每月20万片+
广东省-深圳市 2025-12-06
-
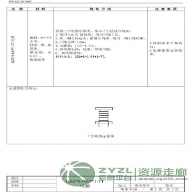
采购图中的工字电感
广东省-深圳市 2025-12-06
-
采购:6寸宽板光源
广东省-深圳市 2025-12-06
-
寻找大功率K歌音响产品欢迎推荐ʺ
如2*10W2*15W2*5W款式不限!性价比高的款私模优先推荐
广东省-深圳市 2025-12-06
-
有做这种电池的联系我
要求看图
广东省-深圳市 2025-12-06
-
找图中喇叭和另一颗料
要求看图,可接受2-3周货期
广东省-深圳市 2025-12-06
-
采购图中10万插头五金
长期有单目标价3毛
广东省-深圳市 2025-12-06
-
谁有防铁氟龙线,红黑电子线
广东省-深圳市 2025-12-06
-
图中的线材谁家能做的联系
广东省-深圳市 2025-12-06
-
找消毒枪主板和370马达
要现货有多少要多少
广东省-深圳市 2025-12-06
-
找图中无线充套料
如图首单2万套
广东省-深圳市 2025-12-06
-
找图中2款充电器
如图
广东省-深圳市 2025-12-06
-
采购图中的这款充电器
如图
广东省-深圳市 2025-12-06
-
做无人机方案的联系
广东省-深圳市 2025-12-06
-
找图中的喇叭网,谁做
广东省-深圳市 2025-12-06
-
找缅甸电子Y物流,没有经验的不用介绍哈
广东省-深圳市 2025-12-06

